Uploaded by common.user150292

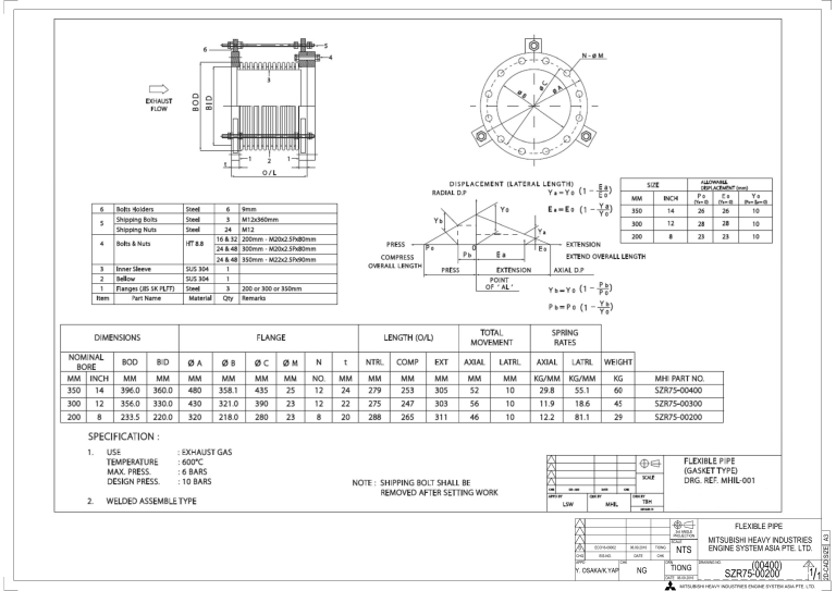
Plano Técnico de Tubería Flexible Mitsubishi SZR75-00200

advertisement
0
ECO16-09002
CHG
EIS-NO.
APPD
Y. OSAKA/K.YAP
06.09.2016
TIONG
DATE
CHK
CHK
NTS
DRN
NG
TIONG
DATE 06.09.2016
FLEXIBLE PIPE
MITSUBISHI HEAVY INDUSTRIES
ENGINE SYSTEM ASIA PTE. LTD.
DRAWING NO.
(00400)
SZR75-00200
0
1/1
MITSUBISHI HEAVY INDUSTRIES ENGINE SYSTEM ASIA PTE. LTD.
2D-CAD SIZE A3
3rd ANGLE
PROJECTION
SCALE
Download